辽阳嘉德测控仪表有限公司
地址:辽阳市太子河区段夹河
电话:0419-2194988、2192788
传真:0419-2193939
网址:www.ly-jd.com
E-mail : ly-jd@163.com
辽阳嘉德测控仪表有限公司
地址:辽阳市太子河区段夹河
电话:0419-2194988、2192788
传真:0419-2193939
网址:www.ly-jd.com
E-mail : ly-jd@163.com
测量原理
导波雷达是基于时间行程原理的测量仪表,雷达波以光速运行,运行时间可以通过电子部件被转换成物位信号。探头发出高频脉冲并沿缆绳传播,当脉冲遇到物料表面时反射回来被仪表内的接收器接收,并将距离信号转化为物位信号。

输入
反射的脉冲信号沿缆绳传导至仪表电子线路部分,微处理器对此信号进行处理,识别出微波脉冲在物料表面所产生的回波。正确的回波信号识别由智能软件完成,距离物料表面的距离D与脉冲的时间行程T成正比:
D=C×T/2
其中C为光速
因空罐的距离E已知,则物位L为:
L=E-D
输出
通过输入空罐高度E(=零点),满罐高度F(=满量程)及一些应用参数来设定,应用参数将自动使仪表适应测量环境。对应于4-20mA输出。
产品简介:
导波雷达物位仪表 |
|
|
|
防爆认证 | 防爆认证 | 防爆认证 | 防爆认证 |
测 量范 围 | 30米 | 6米 | 6米 |
过 程 连 接 | 螺纹、法兰 | 螺纹、法兰 | 螺纹、法兰 |
过 程 温 度 | -40-250℃ | -40-250℃ | -40-250℃ |
过 程 压 力 | -1.0-40bar | -1.0-40bar | -1.0-40bar |
精 度 | ±1mm | ±1mm | ±1mm |
频 率 范 围 | 100MHZ-1.8GHZ | 100MHZ-1.8GHZ | 100MHZ-1.8GHZ |
防爆/防护等级 | EXiaIICT6/IP68 | EXiaIICT6/IP68 | EXiaIICT6/IP68 |
信 号 输 出 | 4…20mA/HART(两线) | 4…20mA/HART(两线) | 4…20mA/HART(两线) |
测量范围
说明: H----测量范围 L----空罐距离 B----顶部盲区 E----探头到罐壁的最小距离 顶部盲区是指物料最高料面与测量参考点之间的最小距离。 底部盲区是指缆绳最底部附近无法精确测量的一段距离。 顶部盲区和底部盲区之间是有效测量距离。 注意: 只有物料处于顶部盲区和底部盲区之间时,才能保证罐内物位的可靠测量。 |
|
右图为杆式雷达安装图,主要用于液体液位的测量。
特点:
可以测量介电常数大于等于1.4的任何介质。
一般用于测量粘度≤500cst而且不容易产生粘附的介质。

杆式雷达最大量程可以达到6米。
对蒸汽和泡沫有很强的抑制能力,测量不受影响。
对于介电常数比较小的液体物料可以采用双探杆式测量方式,以保障良好的准确测量。
调试
可以通过三种方式调试:
l 通过显示调整模块NYPM
l 通过调试软件NYSOFT
l 通过HART手持编程器
现场编程模块(NYPM)
NYPM编程器由6个按键和一个液晶显示屏,可以显示调整菜单和参数设置。其功能相当于一个分析处理仪表。
通过NYSOFT软件调试
雷达传感器都可以通过软件进行调试。采用NYSOFT软件进行调试,需要一个仪表CONNECTCAT驱动器。


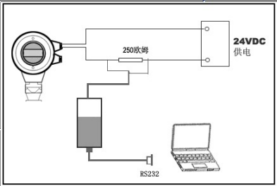
使用软件调试的时候,给雷达仪表加电24VDC,同时在连接HART适配器前端加一个250欧姆的电阻。如果一体式HART电阻(内部电阻250欧姆)的供电仪表,就不需要附加外部电阻,这时候HART适配器可以和4…20mA线并联。
接线方式
通过NYSOFT软件调试
雷达传感器都可以通过软件进行调试。采用NYSOFT软件进行调试,需要一个仪表CONNECTCAT驱动器。
仪表尺寸
通过NYSOFT软件调试
雷达传感器都可以通过软件进行调试。采用NYSOFT软件进行调试,需要一个仪表CONNECTCAT驱动器。
技术参数
参数: 工作频率:100MHZ-1.8GHZ
测量范围:缆式:0-30m;杆式、同轴式:0-6m
重复性:±3mm
分辨率:1mm
采样:回波采样55 次/s
响应速度:>0.2S(根据具体使用情况而定)
输出电流信号:4-20mA
精度:<0.1%
通讯接口: HART 通讯协议
过程连接: G1-1/2
法兰DN50,DN80,DN100,DN150
过程压力: -1-40bar
电源: 电源:24VDC(±10%),纹波电压:1Vpp
耗电量:max 22.5mA
环境条件: 温度-40℃~+80℃
外壳防护等级: IP68
防爆等级: EXiaIICT6
两线制接线: 仪表供电和信号输出共用一根两芯屏蔽电缆线
电缆入口:2个M20×1.5(电缆直径5--9mm)
测量距离
下表列出不同类别被测介质与测量距离的关系
介质分组 | DK(ε) | 固体颗粒 | 液体 | 测量范围 |
1 | 1.4…1.6 |
-冷凝气,如N2CO2 |
3m(仅指同轴杆式探头) | |
2 | 1.6…1.9 |
-塑料带粒子 -白灰石,特种水泥 -糖 |
-液化气,如丙烷 -溶剂 -氟利昂12/氟利昂 -棕榈油 | 25m |
3 | 1.9…2.5 |
-普通水泥,石膏 |
-矿物油,燃料 | 30m |
4 | 2.5…4 |
-谷物,种子 -石头 -砂粒 |
-苯,苯乙烯,甲苯 -呋喃 -萘 | 30m |
5 | 4…7 |
-潮湿的石头,矿石 -盐 |
-氯苯,氯仿 -纤维素喷雾 -异氰盐酸,本胺 | 30m |
6 | >7 |
-金属粉末 -碳黑 -煤炭 |
-含水液体 -酒精 -液氨 | 30m |
LYJD700产品选型
仪表型号, 探头类型, 长度, 材质
JD701 8mm 缆式探头 30000mm 不锈钢
JD702 10mm 杆式探头 6000mm 不锈钢
JD703 双杆式探头 6000mm 不锈钢(法兰安装)
防爆
P 非防爆型(普通型)信号输出(4-20mA)HART协议
I 本安防爆型(EXiaIICT6) 电流信号输出(4-20mA)HART协议
一体化过程连接/材质
G G1-1/2A 螺纹 PN16 316L不锈钢
N 1-1/2NPT 螺纹 PN16 316L不锈钢
C 法兰DN50 PN16C 316L不锈钢
D 法兰DN80 PN16C 316L不锈钢
E 法兰DN100 PN16C 316L不锈钢
F 法兰DN150 PN16C 316L不锈钢
密封温度
P 普通密封-20…80℃
G 高温密封-40-250℃带散热片
外壳/防护等级/天线防护等级
L 铝/IP68
电缆接口
M M20*1.5
N 1/2NPT
现场显示
V带
X不带
编程器
B带
X不带
探头长度(米)
LYJD700 |